更多相關
GTJ-FKY裂縫寬度測試儀
...
GTJ-LBY樓板厚度檢測儀
...
GTJ-XSY鋼筋銹蝕儀
...
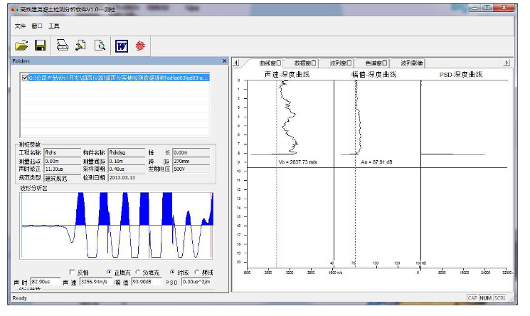
GTJ-P800基樁動測儀
...
GTJ-2701瀝青無核密度儀
...
GTJ-R800一體式鋼筋檢測儀
...


銷售熱線:025-83708787
電子商務:025-83713119
技術服務:025-83709309
銷售電話:18151694144(姚經理)
銷售電話:18751875380(羅經理)
檢定維修:17314986887(李工)
服務 QQ :2547802335
電子郵箱:2547802335@qq.com
公司地址:南京市鼓樓區建寧路61號中央金地01幢401室
...
...
...
...
...
...